DUKW Tech

What does DUKW stand for?
      D=First year of production code "D" is for 1942
      U=Body style "U" utility truck (amphibious)
      K=Front wheel drive. GMC still used that on trucks into the mid 1980's (K5 Chevy Blazer)
      W=Two rear driving wheels (tandem axle)

The DUKW is capable of carrying a 2 1/2 ton payload over land or water. It is equipped with a GMC 270 cubic inch 6 cylinder gasoline engine. It has a 5 speed transmission with a 2 speed transfer case. This gives a total of 10 forward speeds and 2 in reverse. It has 6 wheel drive, a water propeller and a 10 ton winch. All or any of these can be run separately or together in any combination. Top speed on land is 50 to 55 mph while on the water top speed is only 6 mph (land miles per hour not knots). It also has a tire inflation system with a 2 cylinder air compressor and air storage tank. This allows the driver to inflate or deflate any one or all six tires at the same time from the dashboard. The dashboard also has a tire pressure gauge so that air pressure can be monitored. The front brake lines are protected in steel conduit with barbed wire cutters on the outside. The DUKW weighs 7 1/2 tons empty and is 31 feet long. DUKWs were manufactured from 1942 to 1945 by General Motors Corporation.



Maintenance  
Let us maintain your commercial fleet.

Consulting  
Need help in setting up a tour operation?

We buy DUKWS in any condition. If you locate a DUKW for sale and we buy it, we will pay you a finders fee.

Copyright © 2006 Chicago DUKW Corporation All Rights Reserved.

We can supply parts to keep your DUKW's running well.
Have a DUKW restored to your specifications.

We do complete DUKW restorations making it ready for amphibious operation.

We can make it for commercial Duck tours or as it was originally used in WWII.
Looking to buy a DUKW?

Or do you need parts for a DUKW you already have?

Check out the DUKW Vehicles and DUKW parts we have for sale.

If you have a dukw and need more information on it this is the "Duck link" to follow.
Would you like more information about buying a dukw or for a dukw that you already have?
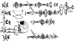
Exploded view of the DUKW and CCKW (banjo axle) main transfer case
Home > Dukw Technical Chicago Dukws